Opis produktu
| Kolanko przewód olejoodporny rura turbo intercooler fi. 45 mm x 150 mm | |
|---|---|
| Zastosowanie w pojazdach: | Uniwersalne |
| Silnik: | olejoodporne |
| Nr. katalogowy: | 104033 |
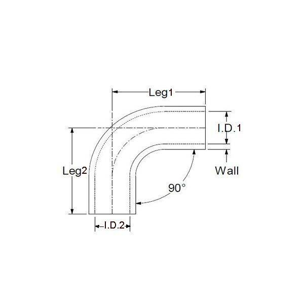
| Wymiary: |
Średnica wewnętrzna: fi.45 Długość
ramion: 150
x 150 mm, |
| Dodatkowy opis: |
Przewód gumowy NBR zbrojony uniwersalny |
| Charakterystyka: | Przewód gumowy olejoodporny przeznaczony do
układu smarowania olejem, turbo doładowania, - Warstwa gumy zewnętrznej >NBR-CR< zapewniająca odporność na starzenie i oleje, - Zbrojenie oplot z włókien aramidowych niezbędne do zapewnienia wytrzymałości na wysokie ciśnienie przy wysokich temperaturach, - Warstwa gumy wewnętrznej >AEM-ACM< zapewniająca odporność na paliwa i oleje. - Przewody olejoodporne charakteryzują się dużą wytrzymałością, bardzo dokładnym wykonaniem identycznym niekiedy jak oryginał dzięki czemu nawet laik poradzi sobie z wymianą w samochodzie. |
| Temperatura pracy: | -40*+150*C krótko trwale +170*C |
| Waga: | 0,30 kg |
| Nasz Nr. ref. | 104033 |
| Gwarancja: | 12 miesiące |
| Producent: | Made in Poland |
| Stan: | produkt NOWY |
Opinie naszych klientów







